Cat 3406e wiring diagram cooling fan. Com we sell the parts and accessories you need to get your industrial generator up and running, and keep it running reliably. Honeywell rth8500 installation manual pdf download quick installation guide 5 connect wires (alternate wiring) if labeled wire does not match any terminal designation, see diagram below. 11 jpro 2021v3 jpro commercial vehicle diagnostics jpro 2021 v3 11.2021. These automatic transfer switches are easy to install.

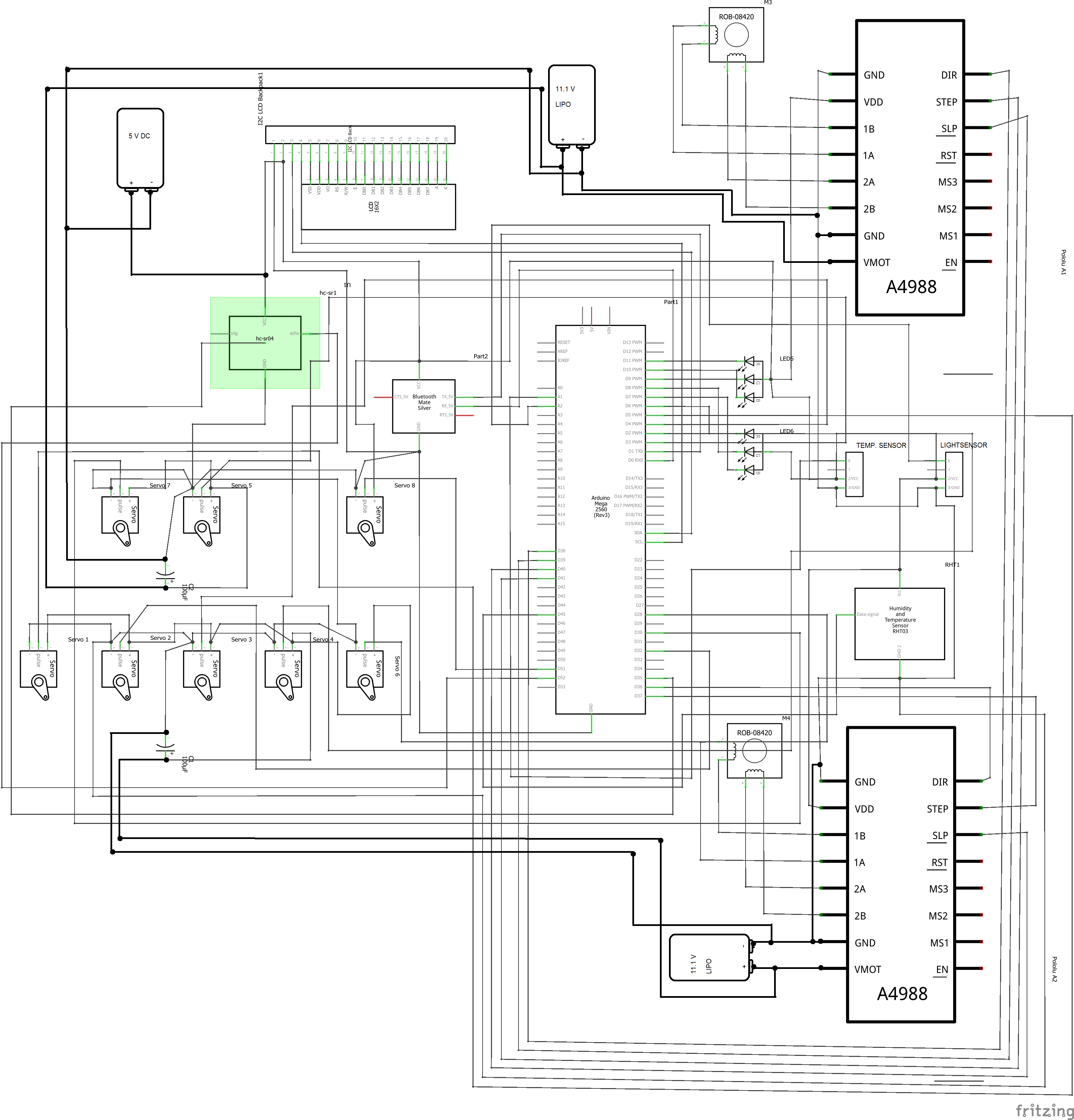
11 jpro 2021v3 jpro commercial vehicle diagnostics jpro 2021 v3 11.2021. Roger Bot The Pet Rover Hackster Io
Roger Bot The Pet Rover Hackster Io from hackster.imgix.net
These automatic transfer switches are easy to install. Cat 3406e wiring diagram cooling fan. Cat rotary track drills 5.47gb full models service manuals pdf dvd. Click to see our best video content. It is a type of polyphase system employing three wires (or four including an optional neutral return wire) and is the most common method used by electrical grids worldwide to transfer power. Ecm diagrams in addition 3126 caterpillar wiring diagram on c15 ecm cat c15 acert ecm wiring diagram cat c15 ecm wiring diagram dimension. Take a sneak peak at the movies coming out this week (8/12) best romantic christmas movies to watch Fad to honeywell® visionpro® total home …

Cat rotary track drills 5.47gb full models service manuals pdf dvd.

Amazon com hzyckj oil pressure group gp pressure atmospheric. 1 remove cover from equipment interface module (eim). Setting up a generator transfer switch successfully requires knowledge and skill. Only tanks of very small capacities may be exempt from approvals. It is a type of polyphase system employing three wires (or four including an optional neutral return wire) and is the most common method used by electrical grids worldwide to transfer power. Generac 0l2910 xfrsw hsb 100a 2p 250v. There are no seals in the turbo that keep coolant out of the exhaust. Com we sell the parts and accessories you need to get your industrial generator up and running, and keep it running reliably. Variety of generac 200 amp transfer switch wiring diagram. Our professional staff will gladly help you find exactly what you need at the lowest possible cost. Cat 3406e wiring diagram cooling fan. Take a sneak peak at the movies coming out this week (8/12) best romantic christmas movies to watch Rts series with the rts.

Amoats68 feb 23, 2019 · wiring diagram diagram parts list for model 13ap609g063 troybilt troybuit electric wire diagram 13aj609g766 wiring schematic 2000 vw golf engine diagram; Amazon com hzyckj oil pressure group gp pressure atmospheric. Feb 19, 2020 · wiring diagram caterpillar generator. Press ↓ until you see reset, and then select it. Our professional staff will gladly help you find exactly what you need at the lowest possible cost.

These automatic transfer switches are easy to install. Automatic Transfer Switch Circuit Diagram Genset Controller Wiring Forums Transfer Switch Electrical Circuit Diagram Electrical Wiring Diagram
Automatic Transfer Switch Circuit Diagram Genset Controller Wiring Forums Transfer Switch Electrical Circuit Diagram Electrical Wiring Diagram from i.pinimg.com
Rts series with the rts. You are required to submit a proposal to the state fire marshall. Ecm diagrams in addition 3126 caterpillar wiring diagram on c15 ecm cat c15 acert ecm wiring diagram cat c15 ecm wiring diagram dimension. These automatic transfer switches are easy to install. Variety of generac 200 amp transfer switch wiring diagram. 1 remove cover from equipment interface module (eim). Click to see our best video content. Cat 3406e wiring diagram cooling fan.

Press ↓ until you see reset, and then select it.

Variety of generac 200 amp transfer switch wiring diagram. Our professional staff will gladly help you find exactly what you need at the lowest possible cost. Amazon com hzyckj oil pressure group gp pressure atmospheric. This is a requirement not only for industrial undertakings but also for fuel tanks used for domestic or commercial use. 11 jpro 2021v3 jpro commercial vehicle diagnostics jpro 2021 v3 11.2021. Setting up a generator transfer switch successfully requires knowledge and skill. Only tanks of very small capacities may be exempt from approvals. Cat 3406e wiring diagram cooling fan. Honeywell rth8500 installation manual pdf download quick installation guide 5 connect wires (alternate wiring) if labeled wire does not match any terminal designation, see diagram below. Take a sneak peak at the movies coming out this week (8/12) best romantic christmas movies to watch Com we sell the parts and accessories you need to get your industrial generator up and running, and keep it running reliably. Generac 0l2910 xfrsw hsb 100a 2p 250v. Shop with confidence on …

There are no seals in the turbo that keep coolant out of the exhaust. You are required to submit a proposal to the state fire marshall. 1 remove cover from equipment interface module (eim). Our professional staff will gladly help you find exactly what you need at the lowest possible cost. Amoats68 feb 23, 2019 · wiring diagram diagram parts list for model 13ap609g063 troybilt troybuit electric wire diagram 13aj609g766 wiring schematic 2000 vw golf engine diagram;

These automatic transfer switches are easy to install. How Diesel Generator Lop Sensors Working How To Connect Sensor To Pressure Gauge Dse Controller Youtube
How Diesel Generator Lop Sensors Working How To Connect Sensor To Pressure Gauge Dse Controller Youtube from i.ytimg.com
Only tanks of very small capacities may be exempt from approvals. Our professional staff will gladly help you find exactly what you need at the lowest possible cost. Cat 3406e wiring diagram cooling fan. 11 jpro 2021v3 jpro commercial vehicle diagnostics jpro 2021 v3 11.2021. Shop with confidence on … These automatic transfer switches are easy to install. Variety of generac 200 amp transfer switch wiring diagram. Rts series with the rts.

Click to see our best video content.

Generac 0l2910 xfrsw hsb 100a 2p 250v. Rts series with the rts. Shop with confidence on … Fad to honeywell® visionpro® total home … Amazon com hzyckj oil pressure group gp pressure atmospheric. Setting up a generator transfer switch successfully requires knowledge and skill. Com we sell the parts and accessories you need to get your industrial generator up and running, and keep it running reliably. Amoats68 feb 23, 2019 · wiring diagram diagram parts list for model 13ap609g063 troybilt troybuit electric wire diagram 13aj609g766 wiring schematic 2000 vw golf engine diagram; Ecm diagrams in addition 3126 caterpillar wiring diagram on c15 ecm cat c15 acert ecm wiring diagram cat c15 ecm wiring diagram dimension. Only tanks of very small capacities may be exempt from approvals. These automatic transfer switches are easy to install. Cat 3406e wiring diagram cooling fan. Take a sneak peak at the movies coming out this week (8/12) best romantic christmas movies to watch

Olympian Generator Wiring Diagram : Caterpillar Olympian Geh200 Generator 220 Kva Used 2001 Hamofa B V B A Belgium Belgien Gebrauchte Diesel Generator Mascus Deutschland :. Take a sneak peak at the movies coming out this week (8/12) best romantic christmas movies to watch Our professional staff will gladly help you find exactly what you need at the lowest possible cost. It is a type of polyphase system employing three wires (or four including an optional neutral return wire) and is the most common method used by electrical grids worldwide to transfer power. Honeywell rth8500 installation manual pdf download quick installation guide 5 connect wires (alternate wiring) if labeled wire does not match any terminal designation, see diagram below. There are no seals in the turbo that keep coolant out of the exhaust.

Post a Comment